中文
|
EN
服务热线:400-969-1233
邮箱登录
首页
关于时搏(中国)
时搏(中国)
时搏平台案例
新闻中心
科技创新
时搏(中国)服务
首页
关于时搏(中国)
时搏(中国)
时搏平台案例
新闻中心
科技创新
时搏(中国)服务
企业动态
行业动态
塔式起重机
施工升降机
混凝土机械
屋面吊
桥梁时搏平台
装配式建筑时搏平台
水利水电时搏平台
核电火电时搏平台
机场港口时搏平台
高层商业建筑时搏平台
海外时搏平台
技术中心
科研动态
新技术引用
专利技术
科研成果
企业介绍
发展历程
组织架构
资质荣誉
生产制造
联系我们
营销网络
用户服务
时搏(中国)租赁
时搏(中国)物流
新闻中心
SINCE1952
始于1952
企业动态
行业动态
首页
>
新闻中心
> 企业动态
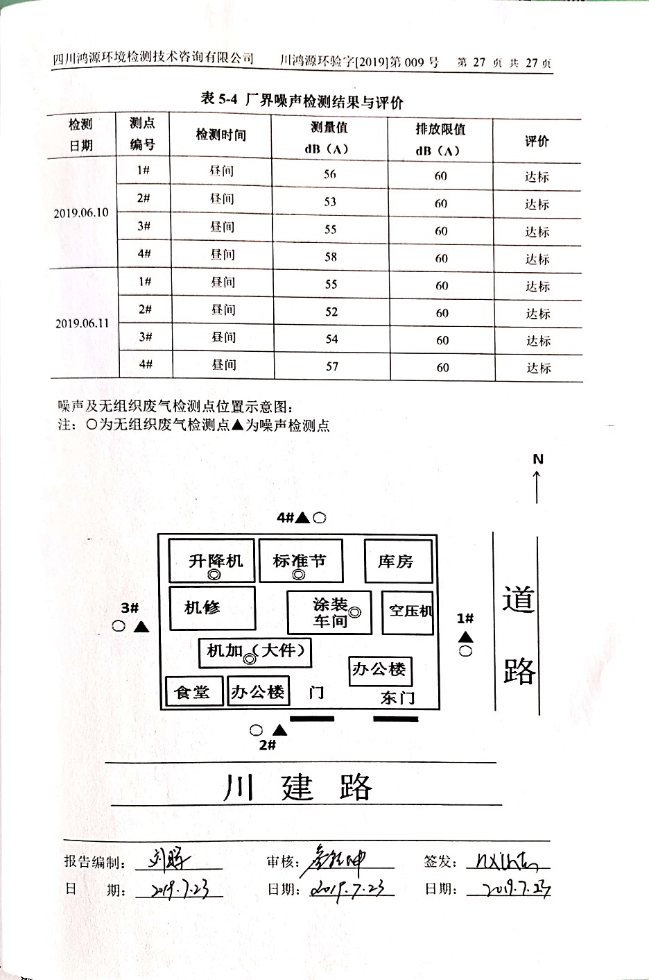
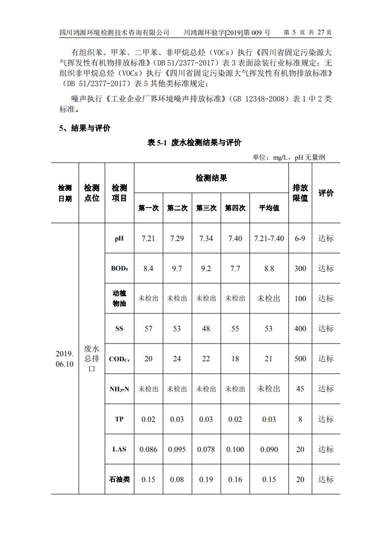
公司废气、废水、噪声检测报告
发布时间:2019-08-30 阅读次数:6605 来源:
上一篇
下一篇
关闭
安川变频器GA700技术手册
关注时搏(中国)微信公众号 快速掌握最新资讯
乐玩网页版登录入口
|
江南平台
|
AK平台
|
b体育·(sports)官方网站
|
星空注册
|
时博app入口站官网
|
米乐官网_米乐(中国)
|
易游在线登录官网
|
星空app登录入口
|